group: 59GM

potable water
commercial building

WRAS
code
size
dimensions
weight
packaging
gtin
code
size
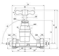
d1
DN1
l1
z1
slw1
d2
DN2
l2
z2
slw2
M1
M2
Y
V
U
code
size
15
d1
15.0
DN1
DN15
l1
33
z1
20
slw1
24
d2
15.0
DN2
DN15
l2
51
z2
20
slw2
18
M1
28
M2
28
Y
14
V
38
U
29
item
Pegler Prestex stop valve
item number with gtin
59GM (05013866005732)
manufacturer
Aalberts integrated piping systems Ltd (Pegler)
size
15
weight
0.36 kg
dimensions
100x30x90 mm
color
brass
materials
brass (CC757S)
finishing
none
shape
straight
connection type
compression
pressure rating (PN)
PN 16
sealing
EPDM, NBR (Nitrile)
max operating pressure liquid
16 bar
min. medium temperature
30 °C
max medium temperature
120 °C
peak medium temperature
120 °C
product group
valves
HS code
84818099
brand
Pegler
series
Stop Valve
product type
59
UNSPS
40141613
code
carbon footprint (A-C) embodied carbon
data source
we are here to help
You can compare up to 2 products
You can compare up to 4 products